Stock Location(s)
Description
Description
Baskets are woven over solid beech frames which slide on runners (sold separately). Two handles drilled into frame. We have a full collection of base cabinet organizers and hardware that you can use with this product.
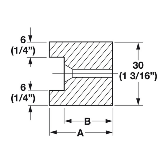
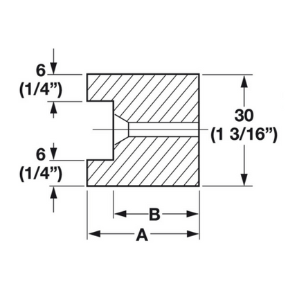
What is the value of A, and what is the value of B found in the images?
The picture provided on this product page is showing the sizes of the runners you must add to the cart when selecting your wicker basket (if you will be using the runners designed to work with this product). The description below and table will help you determine which runners you will need to select:
- For Framed Applications (HA-540.55.992): the value of (A) is 1-5/8" and the value of (B) 1-1/4".
- For Frameless Applications (HA-540.55.991): the value of (A) is 1-3/8" and the value of (B) 1".
| Cabinet Width | Basket/Runner Needed |
|---|---|
| Framed, 15" (305 mm) | |
| Frameless, 15" (305 mm) | |
| Framed, 18" (381 mm) | |
| Frameless, 18" (381 mm) |
Specifications
Specifications
- Min. Cabinet Opening: 15"-18"
- Baskets: Handmade
- Installation: Install in or between two cabinets. For installation, calculate frame width less 6 mm (1/4") for ease of use of runners
- Height: (7 7/8") 200 mm
- Depth: (21 1/4") 540 mm
- Material: Basket: Wicker, Frame: Beech
- Finish: Basket: Natural, dipped , Frame: Lacquered
What's Included
What's Included
- (1) Wicker Basket
- (1) Basket Frame with Handles
Hafele Wicker Basket Drawer Base Pull-Out with Beech Frame (runners sold separately)
Hafele Wicker Basket Drawer Base Pull-Out with Beech Frame (runners sold separately)
SKU: SKU: HA-540.55.001
Wicker Basket Options
$42.00
$42.00
Description
Description
Baskets are woven over solid beech frames which slide on runners (sold separately). Two handles drilled into frame. We have a full collection of base cabinet organizers and hardware that you can use with this product.
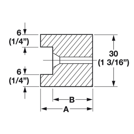
What is the value of A, and what is the value of B found in the images?
The picture provided on this product page is showing the sizes of the runners you must add to the cart when selecting your wicker basket (if you will be using the runners designed to work with this product). The description below and table will help you determine which runners you will need to select:
- For Framed Applications (HA-540.55.992): the value of (A) is 1-5/8" and the value of (B) 1-1/4".
- For Frameless Applications (HA-540.55.991): the value of (A) is 1-3/8" and the value of (B) 1".
| Cabinet Width | Basket/Runner Needed |
|---|---|
| Framed, 15" (305 mm) | |
| Frameless, 15" (305 mm) | |
| Framed, 18" (381 mm) | |
| Frameless, 18" (381 mm) |
Specifications
Specifications
- Min. Cabinet Opening: 15"-18"
- Baskets: Handmade
- Installation: Install in or between two cabinets. For installation, calculate frame width less 6 mm (1/4") for ease of use of runners
- Height: (7 7/8") 200 mm
- Depth: (21 1/4") 540 mm
- Material: Basket: Wicker, Frame: Beech
- Finish: Basket: Natural, dipped , Frame: Lacquered
What's Included
What's Included
- (1) Wicker Basket
- (1) Basket Frame with Handles

Add to cart
-
Quantity1
-
Width:11-5/16"W (for 15" Cabinet)